GST-GBFB-200廣播分配盤
一、海灣GST-GBFB-200廣播分配盤概述
GST-GBFB-200型廣播分配盤是消防應急廣播系統配套產品,它與音源設備、廣播功率放大器、音箱、GST-LD-8305型輸出模塊等設備共同組成消防應急廣播系統。
同時GST-GBFB-200廣播分配盤也通過RS485串行總線與消防控制器相連接,一起完成消防聯動控制。另外根據現場的需要,它可以外接兩個擴展鍵盤,增大了控制區域數量,它可以同時接入最多兩路功放,以滿足工程上的最大限度的需要,在作為應急廣播也兼顧了正常廣播播音的需要,二者自由切換,應急廣播優先。
二、海灣GST-GBFB-200廣播分配盤主要技術指標
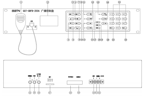
海灣GST-GBFB-200廣播分配盤外形尺寸及結構示意圖如圖所示:

其中系統內部接線:
電源輸入(DC24V):本機直流供電接入端子,端子+接直流電源正極,端子-接直流電源負極。
功放故障輸入1:功率放大器1故障接入端子,不分正負極性。
功放故障輸入2:功率放大器2故障接入端子,不分正負極性。
C線輸出:廣播設備聯動控制信號,一般將其接到音源設備的C線輸入。
級聯輸入接口:RJ45接口,內部控制專用接口,用于本機接受來自音源設備發出的自檢信號。
級聯輸出接口:RJ45接口,內部控制專用接口,用于廣播系統多臺設備的控制,如聯動多臺功率放大器。
RS485接口:消防控制器通信接口,與火災報警控制器相連接。
定壓輸入1:它與功率放大器1音頻輸出相連。
定壓輸入2:它與功率放大器2音頻輸出相連。
系統外部接線:
定壓輸出1:廣播系統的音頻輸出線,接GST-LD-8305模塊。
定壓輸出2:廣播系統的音頻輸出線,接GST-LD-8305模塊。
布線要求:定壓輸出線采用阻燃RV線,截面積≥1.0mm2。最大傳輸距離1500米。
| 型號 | GST-GBFB-200 |
| 工作電壓 | DC24V |
| 工作電流 | ≤150mA |
| 環境溫度 | 0~40攝氏度 |
| 相對濕度 | ≤95%,不結露 |
| 外形尺寸 | 482.6*88.1*225.0 mm |
| 系統外部接線 | |
| 定壓輸出1 | 系統的音頻輸出線,接GST-LD-8305模塊 |
| 定壓輸出2 |
廣播系統的音頻輸出線,接GST-LD-8305模塊 |
海灣GST-GBFB-200廣播分配盤外形尺寸及結構示意圖如圖所示:

其中系統內部接線:
電源輸入(DC24V):本機直流供電接入端子,端子+接直流電源正極,端子-接直流電源負極。
功放故障輸入1:功率放大器1故障接入端子,不分正負極性。
功放故障輸入2:功率放大器2故障接入端子,不分正負極性。
C線輸出:廣播設備聯動控制信號,一般將其接到音源設備的C線輸入。
級聯輸入接口:RJ45接口,內部控制專用接口,用于本機接受來自音源設備發出的自檢信號。
級聯輸出接口:RJ45接口,內部控制專用接口,用于廣播系統多臺設備的控制,如聯動多臺功率放大器。
RS485接口:消防控制器通信接口,與火災報警控制器相連接。
定壓輸入1:它與功率放大器1音頻輸出相連。
定壓輸入2:它與功率放大器2音頻輸出相連。
系統外部接線:
定壓輸出1:廣播系統的音頻輸出線,接GST-LD-8305模塊。
定壓輸出2:廣播系統的音頻輸出線,接GST-LD-8305模塊。
布線要求:定壓輸出線采用阻燃RV線,截面積≥1.0mm2。最大傳輸距離1500米。
智淼君安(江蘇)消防工程技術有限公司http://www.ecplay.com.cn/
海灣消防公司主營:海灣消防報警系統銷售,消防設備安裝,海灣氣體滅火、海灣電氣火災、消防水噴淋系統施工安裝,售后維修,海灣消防網站:http://www.ecplay.com.cn/;海灣消防服務熱線:4006-598-119
本頁關鍵詞:GST-GBFB-200廣播分配盤
產品中心

蘇公網安備32058102002147號